PRO консультанты
Профессиональный подбор оборудования и аксессуаров
Большой ассортимент
Клинингового оборудования, аксессуаров и запчастей
Сервисная служба
Сервис и обслуживание по всей России
Доставка по России
Доставляем по России - оперативно в любую точку
Описание
Отзывы
Описание
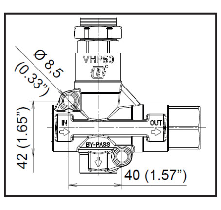
Регулятор давления до 500 бар, поток до 100 л/мин.
Характеристики
Общие хар-ки
Бренд
Tecomec
Страна бренда
Италия
Рабочее давление (бар)
500
Максимальное давление (бар)
550
Пропускная способность (л/мин)
100
Максимальная температура воды на входе (С°)
90
Подключение (вход)
1/2" внутр
Подключение (выход)
1/2" внутр
By-pass
1/2" внутр
Материал изделия
латунь
Вес
1300 г
Отзывов ещё нет — ваш может стать первым.
Все отзывы 0
Подборки товаров в категории






















