PRO консультанты
Профессиональный подбор оборудования и аксессуаров
Большой ассортимент
Клинингового оборудования, аксессуаров и запчастей
Сервисная служба
Сервис и обслуживание по всей России
Доставка по России
Доставляем по России - оперативно в любую точку
Описание
Отзывы
Описание
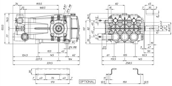
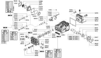
Промышленный плунжерный насос UDOR CKC 42/20 S предназначен для использования на стационарных и мобильных мойках высокого давления, для установки в машины коммунальных служб, на стройках, а также в системах распыления.
Особенности:
- Керамические плунжера (3 шт);
- Головка из кованой усиленной латуни;
- Литой под давлением картер из алюминия с катафорезным покрытием;
- Двойная система уплотнения;
- Коленчатый вал из закалённой стали;
- Увеличенные роликовые/шариковые подшипники;
Характеристики
Бренд
UDOR
Страна бренда
Италия
Гарантия
12 мес
Тип насоса
плунжерный
Рабочее давление (бар)
200
Поток воды (л/час)
2520
Тип привода насоса
без привода
Мощность привода
16.9 кВт
Частота вращения вала (об/мин)
1450
Тип вала насоса
внешний гладкий
Диаметр вала насоса
24 мм
Сторона выхода вала
правый
Встроенный регулятор
нет
Вес
17.5 кг
Отзывов ещё нет — ваш может стать первым.
Все отзывы 0
Подборки товаров в категории






























