Насос высокого давления TOR ZS-DY2516 (производительность 30 л/мин, давление 250 бар) отличается наличием клапанного блока и внутренних элементов, соприкасающихся с водой, изготовленных из нержавеющей стали марки AISI 316. Эти поршневые насосы, разработанные специалистами TOR, представляют собой результат тщательных лабораторных исследований. Серия ZS с головной частью из нержавеющей стали ориентирована на профессиональное и индустриальное применение. Основная задача заключалась в модернизации традиционного насоса путем использования нержавеющей стали (AISI 316) для клапанного блока и всех контактирующих с водой деталей, усиливая устойчивость к химической коррозии и повышая надежность и долговечность.
Насосы TOR ZS-DY2516 с головкой из нержавеющей стали сохраняют мощность и давление стандартной серии, оптимально подходят для сложных и продолжительных задач, в основном связанных с очисткой поверхностей водой под высоким давлением. Модель ZS-DY2516 может работать со слабоагрессивными моющими средствами, жидкостями (разбавленные щелочи и кислоты), а также с соленой и морской водой.
Помпы TOR ZS-DY2516 разработаны для эксплуатации в сложных условиях и получили широкое признание в автомойках высокого давления, мойках самообслуживания, где химические средства проходят непосредственно через насос. Они также широко используются в промышленной и коммунальной уборке в условиях повышенной нагрузки.
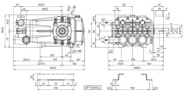
Чтобы помпа TOR ZS-DY2516 выдавала заявленные характеристики, рекомендуется использовать двигатель мощностью не менее 15 кВт при 1450 об/мин. Межосевое расстояние составляет 87 мм, что соответствует "большому" посадочному фланцу.
Конструкция помпы отличается прочностью, точным соответствием заявленным параметрам и высокой производительностью даже при длительной работе. Производитель обладает многолетним опытом в создании подобных насосов.
Особенности серии:
- Головка помпы из нержавеющей стали
- Керамическая поршневая группа
- Кованный коленчатый вал, цельные шатуны, клапаны из нержавеющей стали
- Рабочее давление воды до 250 бар
- Большой поток воды 1800 л/час
- Межосевое расстояние 87 мм, под "большой" посадочный фланец
- Рекомендуемая производителем мощность для достижения максимальных характеристик помпы: 14,42-15 кВт
- Температура рабочей среды — до 60 градусов Цельсия (*мы настоятельно рекомендуем для работы всё равно использовать холодную воду, с температурой +5 ... +24º C)














