PRO консультанты
Профессиональный подбор оборудования и аксессуаров
Большой ассортимент
Клинингового оборудования, аксессуаров и запчастей
Сервисная служба
Сервис и обслуживание по всей России
Доставка по России
Доставляем по России - оперативно в любую точку
Описание
Отзывы
Описание
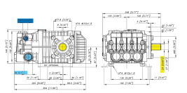
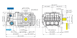
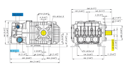
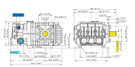
Плунжерный насос высокого давления с кривошипной/аксиальной передачей Mazzoni XM 15500R. Номинальное давление 500 бар, расход воды 15 л/мин, частота вращения вала 1450 об/мин.
Высокая производительность, минимальное обслуживание и надежность гарантируются качественными материалами, которые обеспечивают долгий срок службы.
Особенности:
- Увеличенные и отшлифованные направляющие поршневые штоки для уменьшения трения при скольжении и улучшения масляного уплотнения
- Увеличенный вал с выводом для лучшей передачи крутящего момента
- Толстые керамические поршни для увеличения срока службы
- Увеличенные шатуны из специального антифрикционного сплава
- Головка насоса из кованой латуни отличается высокой прочностью
- Система уплотнения с двойной прокладкой
- Корпус насоса прочной конструкции
- U-образные уплотнения
Документация
Характеристики
Общие хар-ки
Бренд
UDOR
Страна бренда
Италия
Гарантия
12 мес
Тип насоса
плунжерный
Габариты, ДхШхВ
256 × 230 × 230 мм
Вес
12.4 кг
Материал
латунь
Диаметр вала насоса
24 мм
Технические хар-ки
Тип привода насоса
без привода
Рабочее давление (бар)
500
Частота вращения вала (об/мин)
1450
Поток воды (л/час)
900
Максимальная температура воды на входе (С°)
65
Мощность привода
14.43 кВт
Тип вала насоса
внешний гладкий
Сторона выхода вала
правый
Встроенный регулятор
нет
Подключение (вход)
1/2" внутр
Подключение (выход)
3/8" внутр
Отзывов ещё нет — ваш может стать первым.
Все отзывы 0
Подборки товаров в категории

























