PRO консультанты
Профессиональный подбор оборудования и аксессуаров
Большой ассортимент
Клинингового оборудования, аксессуаров и запчастей
Сервисная служба
Сервис и обслуживание по всей России
Доставка по России
Доставляем по России - оперативно в любую точку
Описание
Отзывы
Описание
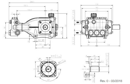
Насос Hawk NHDP1420CWR итальянского производства. Латунная головка, керамические поршни, алюминиевый корпус. Никелированный клапанный блок и специальные уплотнения для защиты от коррозии и воздействия химических веществ.
Применение: аппараты АВД, Автомойки самообслуживания.Насос предназначен для перекачивания жидкостей с низкой вязкостью: чистой пресной воды или смеси воды и моющих средств.
При соединении помпы с электродвигателем, мощность двигателя должна быть больше мощности насоса. При соединении помпы с двигателем внутреннего сгорания, мощность двигателя должна быть больше на 30% (минимум).
Особенности:
- максимальное давление 200 бар.
- расход 14 л/мин.
- мощность 5,3 кВт.
- частота оборотов вала 1450 об/мин.
- температура воды 65 градусов.
- диаметр вала 24 мм.
- производство Италия.
Комплектация
- Насос высокого давления
- Крышка маслозаливной горловины
- Крепежный набор
Документация
Характеристики
Общие хар-ки
Бренд
Страна бренда
Италия
Гарантия
1 год
Тип насоса
плунжерный
Габариты, ДхШхВ
227 × 174 × 135 мм
Вес
7.4 кг
Диаметр вала насоса
24 мм
Технические хар-ки
Тип привода насоса
без привода
Рабочее давление (бар)
200
Частота вращения вала (об/мин)
1450
Поток воды (л/час)
840
Максимальная температура воды на входе (С°)
65
Мощность привода
5.3 кВт
Спец. особенности насоса
для моек самообслуживания
Тип вала насоса
внешний гладкий
Сторона выхода вала
правый
D отв. фланца насоса
75 мм
Встроенный регулятор
нет
Подключение (вход)
1/2" внутр
Подключение (выход)
3/8" внутр
Объем масляной системы
0.4 л
Отзывов ещё нет — ваш может стать первым.
Все отзывы 0
Подборки товаров в категории




















