PRO консультанты
Профессиональный подбор оборудования и аксессуаров
Большой ассортимент
Клинингового оборудования, аксессуаров и запчастей
Сервисная служба
Сервис и обслуживание по всей России
Доставка по России
Доставляем по России - оперативно в любую точку
Описание
Отзывы
Описание
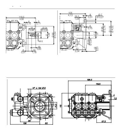
Насос высокого давления Comet LW 1626 E. Латунная головка, керамические плунжеры, полый вал 28 мм с фланцем под привод или муфту фланец MEC 100-112.
Осевое соединение Ø130 мм. Байпас нет Х 0 Y 63.
Комплектация
- Насос высокого давления
- Крышка маслозаливной горловины
- Крепежный набор
Характеристики
Общие хар-ки
Бренд
Страна бренда
Италия
Гарантия
1 год
Тип насоса
плунжерный
Габариты, ДхШхВ
191 × 199 × 120 мм
Вес
6.5 кг
Диаметр вала насоса
28 мм
Технические хар-ки
Тип привода насоса
без привода
Рабочее давление (бар)
180
Частота вращения вала (об/мин)
1450
Поток воды (л/час)
366
Максимальная температура воды на входе (С°)
60
Мощность привода
2000 Вт
Тип вала насоса
полый гладкий
Сторона выхода вала
правый
Тип фланца
MEC 112
Встроенный регулятор
нет
Подключение (вход)
1/2" внутр
Подключение (выход)
3/8" внутр
Отзывов ещё нет — ваш может стать первым.
Все отзывы 0
Подборки товаров в категории







