PRO консультанты
Профессиональный подбор оборудования и аксессуаров
Большой ассортимент
Клинингового оборудования, аксессуаров и запчастей
Сервисная служба
Сервис и обслуживание по всей России
Доставка по России
Доставляем по России - оперативно в любую точку
Описание
Отзывы
Описание
Плунжерный насос высокого давления Bertolini CK 120.1 P оснащен самосмазывающимися уплотнителями, полированные твердые керамические плунжера. Клапаны выполнены из нержавеющей стали и термопластика. Проточная часть из латуни, высокая стойкость к механическим нагрузкам.
Корпус отлит под давлением из алюминия с высоким контролем качества. Шток плунжера изготовлен из нержавеющей стали. Окно для контроля уровня масла. Роликовый подшипник большого размера. Разъемный, кованный шатун, обладает повышенной прочностью.
Насос оснащен эксклюзивной и запатентованной системой охлаждения картера. Проток воды в головке обеспечивает эффективное охлаждение масла в картере.
Особенности:
- Роликовые подшипники ведущих брендов для всех условий работы.
- Шатуны из двух частей центрирования на эксцентричные из сплава Tonolli 328 или сплава бронзы, постоянно снижает эффект трения и износа от перегрева.
- Картер из отлитого под давлением алюминия с характеристиками высокой коррозионной стойкостью и покрыты анодированием против коррозии.
- Самосмазывающие втулки антифрикционные запатентованная PTFE уменьшают трение и обеспечивают работоспособность для осуществления непрерывной прогрессии.
- Двойное уплотнение "V" самосмазывающиеся из усиленного эластомера, который оптимизирует продолжительность.
- Поршни из интегральной керамики высококачественной отделкой поверхности.
- Всасывающие и выходные клапаны из нержавеющей стали с высокой объемной эффективностью и максимальной мощностью всасывания.
- Задняя крышка сделана из специальных форм чтобы увеличить количество масла в картере и улучшения смазки.
- Вилки шатунов самоблокирующиеся.
- Насос оснащен эксклюзивной и запатентованной системой охлаждения картера.
- Проток воды в головке обеспечивает эффективное охлаждение масла в картере.
Комплектация
Документация
Характеристики
Общие хар-ки
Бренд
Страна бренда
Италия
Гарантия
1 год
Тип насоса
плунжерный
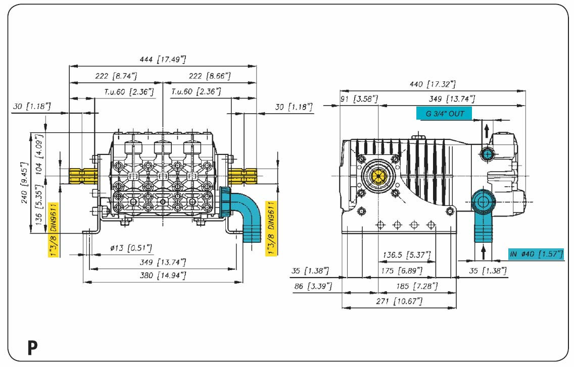
Габариты, ДхШхВ
444 × 440 × 240 мм
Вес
33 кг
Материал
алюминий, латунь
Диаметр вала насоса
1"⅜
Технические хар-ки
Рабочее давление (бар)
70
Частота вращения вала (об/мин)
550
Поток воды (л/час)
7200
Максимальная температура воды на входе (С°)
60
Мощность привода
15 кВт
Тип вала насоса
внешний шлицевой
Сторона выхода вала
двусторонний
Встроенный регулятор
нет
Подключение (вход)
1 1/2" внеш
Подключение (выход)
3/4" внутр
Вязкость масла (SAE)
5W-30
Объем масляной системы
2.8 л
Отзывов ещё нет — ваш может стать первым.
Все отзывы 0
Подборки товаров в категории













