PRO консультанты
Профессиональный подбор оборудования и аксессуаров
Большой ассортимент
Клинингового оборудования, аксессуаров и запчастей
Сервисная служба
Сервис и обслуживание по всей России
Доставка по России
Доставляем по России - оперативно в любую точку
Описание
Отзывы
Описание
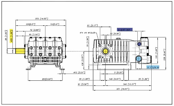
Плунжерный насос высокого давления Bertolini C 2233 оснащен самосмазывающимися уплотнителями, полированные твердые керамические плунжера. Клапаны выполнены из нержавеющей стали и термопластика. Проточная часть из латуни, высокая стойкость к механическим нагрузкам.
Корпус отлит под давлением из алюминия с высоким контролем качества. Шток плунжера изготовлен из нержавеющей стали. Окно для контроля уровня масла. Роликовый подшипник большого размера. Разъемный, кованный шатун, обладает повышенной прочностью
Особенности:
- Самосмазывающиеся уплотнители.
- Полированные твердые керамические плунжера.
- Клапаны выполнены из нержавеющей стали и термопластика.
- Проточная часть из латуни, высокая стойкость к механическим нагрузкам.
- Корпус отлит под давлением из алюминия с высоким контролем качества.
- Шток плунжера изготовлен из нержавеющей стали.
- Окно для контроля уровня масла.
- Роликовый подшипник большого размера.
- Разъемный, кованный шатун, обладает повышенной прочностью.
Комплектация
Характеристики
Общие хар-ки
Бренд
Страна бренда
Италия
Гарантия
1 год
Тип насоса
плунжерный
Габариты, ДхШхВ
372 × 432 × 239 мм
Вес
75 кг
Материал
алюминий, латунь
Диаметр вала насоса
35 мм
Технические хар-ки
Рабочее давление (бар)
150
Частота вращения вала (об/мин)
1450
Поток воды (л/час)
7320
Максимальная температура воды на входе (С°)
60
Мощность привода
36 кВт
Тип вала насоса
внешний гладкий
Сторона выхода вала
левый
Встроенный регулятор
нет
Подключение (вход)
1 1/4" внутр
Подключение (выход)
3/4" внутр (х2)
Объем масляной системы
2.8 л
Отзывов ещё нет — ваш может стать первым.
Все отзывы 0
Подборки товаров в категории
