PRO консультанты
Профессиональный подбор оборудования и аксессуаров
Большой ассортимент
Клинингового оборудования, аксессуаров и запчастей
Сервисная служба
Сервис и обслуживание по всей России
Доставка по России
Доставляем по России - оперативно в любую точку
Описание
Отзывы
Описание
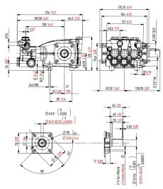
Плунжерный насос высокого давления Annovi Reverberi RK 15.28H N предназначен для использования в мойках высокого давления и промышленных системах. Корпус насоса из литого под давлением алюминиевого сплава. Задняя крышка с отверстием для слива масла. Вал насоса из прессованной высокопрочной стали. Негабаритные подшипники трения. Шатуны из бронзы. Цельные керамические поршни. Головка насоса из латуни с никелевым покрытием и чашками клапанов из нержавеющей стали. Никелевое покрытие позволяет использовать насос для прокачки раствором химических моющих средств.
Особенности
- 3-поршневой насос для очистки промышленного оборудования, различных его узлов
- Может использоваться в сочетании с различными типами двигателей, с жестким соединением или при помощи эластичной муфты
- Корпус насоса из литого алюминиевого сплава
- Задняя крышка с окошком для контроля уровня масла
- Поршни с приводом от кривошипно-шатунного механизма
- Вал насоса выполнен из высокопрочной стали
- Шатуны из бронзы
- Керамические поршни
- Головка насоса из латуни
- Система с двойным уплотнителем
Документация
Характеристики
Общие хар-ки
Бренд
Страна бренда
Италия
Гарантия
12 мес
Тип насоса
плунжерный
Габариты, ДхШхВ
25 × 20 × 12 см
Вес
9.5 кг
Материал
латунь
Диаметр вала насоса
24 мм
Технические хар-ки
Тип привода насоса
без привода
Рабочее давление (бар)
275
Частота вращения вала (об/мин)
1450
Поток воды (л/час)
900
Мощность привода
8.2 кВт
Спец. особенности насоса
никелированное покрытие
Тип вала насоса
внешний гладкий
Сторона выхода вала
правый
D отв. фланца насоса
87 мм
Встроенный регулятор
нет
Подключение (вход)
1/2" внеш
Подключение (выход)
3/8" внутр
Отзывов ещё нет — ваш может стать первым.
Все отзывы 0
Подборки товаров в категории














