PRO консультанты
Профессиональный подбор оборудования и аксессуаров
Большой ассортимент
Клинингового оборудования, аксессуаров и запчастей
Сервисная служба
Сервис и обслуживание по всей России
Доставка по России
Доставляем по России - оперативно в любую точку
Описание
Отзывы
Описание
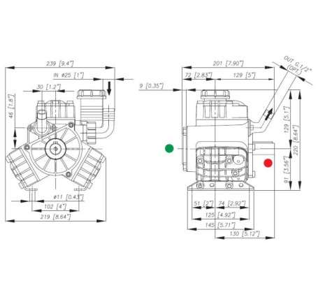
3х поршневой мембранный насос из легкого сплава алюминия. Компактная конструкция, тихая и плавная работа. Все элементы, контактирующие с распыляемым раствором, анодированы, а обратные клапаны изготовлены из нержавеющей стали.
VF(вал под шкив 3отв). Выход Berto+переходник1/2.
Документация
Характеристики
Общие хар-ки
Бренд
Bertolini
Страна бренда
Италия
Гарантия
1 год
Тип насоса
мембранный
Габариты, ДхШхВ
201 × 239 × 220 мм
Вес
7 кг
Технические хар-ки
Тип привода насоса
без привода
Рабочее давление (бар)
40
Частота вращения вала (об/мин)
550
Поток воды (л/час)
1980
Максимальная температура воды на входе (С°)
40
Мощность привода
2 кВт
Тип вала насоса
фланец 3 отв.
Подключение (вход)
1" внеш
Подключение (выход)
1/2" внеш
Отзывов ещё нет — ваш может стать первым.
Все отзывы 0
Подборки товаров в категории














