PRO консультанты
Профессиональный подбор оборудования и аксессуаров
Большой ассортимент
Клинингового оборудования, аксессуаров и запчастей
Сервисная служба
Сервис и обслуживание по всей России
Доставка по России
Доставляем по России - оперативно в любую точку
Описание
Отзывы
Описание
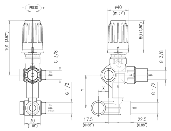
Регулятор высокого давления с соединением полыми винтами, интегрированный By-pass: 1/2" внеш - низкое давление, 3/8" внеш - высокое давление.
Характеристики
Бренд
PA
Страна бренда
Италия
Рабочее давление (бар)
220
Максимальное давление (бар)
250
Пропускная способность (л/мин)
30
Максимальная температура воды на входе (С°)
90
Подключение (вход)
1/2" внутр
Подключение (выход)
3/8" внутр
By-pass
интегрированный
Материал изделия
латунь
Межосевое расстояние X
4.5 мм
Межосевое расстояние Y
64 — 64 мм
Вес
840 г
Отзывов ещё нет — ваш может стать первым.
Все отзывы 0
Подборки товаров в категории

















