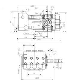
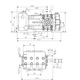
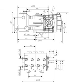
Плунжерный насос высокого давления Bertolini WMC 1317 - заливная пробка имеет систему выпуска испарений для предотвращения избыточного давления в картере и утечек из уплотнений. Качественные подшипники с запасом прочности гарантируют больший ресурс даже в суровых эксплуатационных условиях. Вал из кованой стали увеличенной длины для более прочного сочленения насоса с двигателем (в любом исполнении). Высокопрочные и высоконадежные шатуны цельного исполнения (монолитные) изготовлены из бронзового или алюминиевого сплава (в зависимости от модели) с облегченной смазкой. Направляющая поршня из нержавеющей стали проходит эксклюзивную обработку азотирования и шлифовки поверхностей для предотвращения износа и продления срока службы уплотнений.
Полностью керамические поршни, безупречная отделка поверхности которых гарантирует долгий срок службы уплотнений. Новая система двойных “V”- и “U”-образных уплотнений из композитного материала создана для обеспечения большой долговечности и отличных характеристик. Толстая головка из кованой латуни с высокой механической прочностью не допускает деформацию при высоком давлении. Высокоэффективные заборные и напорные клапаны из антикоррозионной нержавеющей стали 316.
Картер из отлитого под давлением легкого сплава алюминия вмещает в себя большое количество масла и имеет ребра для более эффективного охлаждения.

















