PRO консультанты
Профессиональный подбор оборудования и аксессуаров
Большой ассортимент
Клинингового оборудования, аксессуаров и запчастей
Сервисная служба
Сервис и обслуживание по всей России
Доставка по России
Доставляем по России - оперативно в любую точку
Описание
Отзывы
Описание
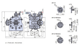
Полипропиленовые мембранно-поршневые насосы PPS для работы с агрессивными средствами защиты растений, средствами уничтожения сорняков с отрицательным pH, жидкими удобрениями, способными разъедать сталь. Агрегат защищен от действия «сухого хода». Усиленные клапаны и прочный корпус обеспечивают агрегату высокий конструктивный ресурс. Насос оборудован масляным стаканом, воздушной камерой, маслосборными кольцами. Устойчив к воздействию агрессивных химических растворов. Имеет пластиковое покрытие.
Особенности:
- Легкая эксплуатация;
- Широкая сфера применения;
- Устойчивость к коррозии;
- Длительный срок службы;
- Система «снижение пульсации».
Характеристики
Бренд
Bertolini
Страна бренда
Италия
Гарантия
1 год
Тип насоса
мембранный
Рабочее давление (бар)
40
Поток воды (л/час)
6000
Максимальная температура воды на входе (С°)
60
Тип привода насоса
без привода
Мощность привода
8 кВт
Частота вращения вала (об/мин)
550
Спец. особенности насоса
для агрессивных химикатов
Тип вала насоса
внешний шлицевой
Диаметр вала насоса
1"⅜
Сторона выхода вала
двусторонний
Подключение (вход)
35 мм елочка
Подключение (выход)
3/4" внеш
Габариты, ДхШхВ
338 × 380 × 366 мм
Вес
24 кг
Отзывов ещё нет — ваш может стать первым.
Все отзывы 0
Подборки товаров в категории




















