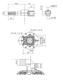
Насосная станция Annovi Reverberi 813 GCI + VDR 50 I, оснащена тремя мембранными гидравлическими насосами, работающими под управлением электродвигателя с редуктором (380/400V, 50Гц, 4P ET). Эта техника прекрасно подходит для сельского хозяйства, обеспечивая эффективное распыление средств защиты растений в условиях высокого давления. Корпус насоса литой, а контактирующие с жидкостью детали выполнены из анодированного алюминия и нержавеющей стали AISI 303/304.
Мембраны изготовлены из материала Blueflex™, а уплотнения - из NBR. Механическая часть насоса погружена в масляную ванну для оптимальной работы, а резервуар из прозрачного пластика обеспечивает удобный контроль уровня масла.
Дополнительно насос оснащен гидро-пневматическим демпфером, резервуаром для слива масла, аварийным клапаном сброса давления и системой фиксации мембраны для защиты при эксплуатации в тяжелых условиях. Новая конструкция клапанов сферического профиля повышает производительность за счет снижения сопротивления жидкости.
В комплекте с насосной станцией поставляется регулятор VDR 50 с манометром, обеспечивающий эффективное управление и контроль процесса работы.







